ထုတ်ကုန်များ
Swing Check Valve
  • Swing Check ValveSwing Check Valve

Swing Check Valve

Jinqiu Valve သည် one-way valve သို့မဟုတ် check valve ဟုလည်းသိကြသည့် အလိုအလျောက်အဆို့ရှင် အရည်အသွေး swing check valve ကို ထုတ်လုပ်ပါသည်။ ၎င်း၏လုပ်ဆောင်ချက်မှာ ပိုက်လိုင်းအတွင်းရှိ ကြားခံအား ပြန်မစီးဆင်းစေရန် တားဆီးထားပြီး အရည်များကို လမ်းကြောင်းတစ်ခုတည်းသို့ စီးဆင်းစေပါသည်။ ၎င်းသည် ပိုက်လိုင်းစနစ်အား ပျက်စီးစေမည့် နောက်ပြန်စီးဆင်းမှု (return flow) ကို ထိရောက်စွာ ကာကွယ်ပေးသည်။ အဆို့ရှင်သည် ကြားခံအား ပြန်မစီးဆင်းစေရန် ဟန့်တားရန်အတွက် ကြားခံ၏ စီးဆင်းမှုနှင့် တွန်းအားဖြင့် ၎င်း၏ အဖွင့်နှင့် အပိတ် အစိတ်အပိုင်းများကို ဖွင့် သို့မဟုတ် ပိတ်သည်။
Jinquan Valve is a high-tech enterprise integrating valve product research, production, sales, and service. As an H44H and H44Y type PN16 ~ PN250 swing check valves supplier, our customized swing check valves are suitable for pressures of 1.6 ~ 25MPa, working temperatures of -29 ~ +550 ℃, and are applicable to pipeline conditions in the petroleum, chemical, pharmaceutical, fertilizer, power industries, and other environments. Applicable media include water, oil, steam, acidic media, and so on. We have been operating in the valve manufacturing field for over twenty years. With our experience, we have won high praise from the market for our reasonable prices, high quality, and attentive service.

1. အလိုအလျောက်အဖွင့်နှင့်ပိတ်ခြင်း- မီဒီယာစီးဆင်းမှု၏တွန်းအားအပေါ်အခြေခံ၍လွှဲစစ်ဆေးသောအဆို့ရှင်သည်အလိုအလျောက်ပွင့်ကာပိတ်သည်။ မီဒီယာသည် သတ်မှတ်ထားသော ဦးတည်ရာသို့ စီးဆင်းသောအခါ၊ valve disc ကို တွန်းဖွင့်ပြီး valve ပွင့်သွားပါသည်။ မီဒီယာ စီးဆင်းခြင်း သို့မဟုတ် နောက်ပြန်စီးဆင်းခြင်း ရပ်သွားသောအခါ၊ အဆို့ရှင်အပြားသည် ၎င်း၏ကိုယ်ပိုင်အလေးချိန် သို့မဟုတ် စပရိန်ဖိအားအောက်တွင် ပိတ်သွားပြီး ပြန်စီးဆင်းမှုကို ဟန့်တားသည်။ အလိုအလျောက်ထိန်းချုပ်မှုရရှိရန် ကိုယ်တိုင်လုပ်ဆောင်မှုမလိုအပ်ပါ။
2. ယုံကြည်စိတ်ချရသော တံဆိပ်ခတ်ခြင်း- valve disc နှင့် ထိုင်ခုံများ၏ တံဆိပ်ခတ်ထားသော မျက်နှာပြင်များကို ပုံမှန်အားဖြင့် ဂဟေဆော်ထားသော သံ-အခြေခံအလွိုင်း သို့မဟုတ် Stellite cobalt-based hard alloy ဖြင့် ပြုလုပ်ထားပြီး၊ ၎င်းသည် ဝတ်ဆင်-ခံနိုင်ရည်၊ အပူဒဏ်၊ ချေးခံနိုင်ရည်ရှိပြီး ခြစ်ရာများကို ကောင်းစွာခံနိုင်ရည်ရှိသည်။ ၎င်းသည် ရေရှည်တည်ငြိမ်သော တံဆိပ်ခတ်ခြင်းအကျိုးသက်ရောက်မှုကို သေချာစေပြီး မီဒီယာယိုစိမ့်မှုကို ထိထိရောက်ရောက် ကာကွယ်ပေးသည်။ 3. Unobstructed Flow Channel- စီးဆင်းမှုချန်နယ်ကို ဆင်ခြင်တုံတရားဖြင့် ဒီဇိုင်းထုတ်ထားသောကြောင့် အရည်ခုခံမှုနည်းသည်။ မီဒီယာသည် swing check valve မှတဆင့် ချောမွေ့စွာဖြတ်သန်းနိုင်ပြီး ဖိအားဆုံးရှုံးမှုနှင့် စွမ်းအင်သုံးစွဲမှုကို လျှော့ချနိုင်သည်။

စွမ်းဆောင်ရည်သတ်မှတ်ချက်များ

မော်ဒယ် H44H-16C~250 H44W-16P~250
အလုပ်ဖိအား (MPa) ၁.၆~၂၅
သင့်လျော်သောအပူချိန် (℃) ≤425 ≤550
သင့်လျော်သောမီဒီယာ ရေ၊ ရေနွေး၊ ဆီ ပျော့ပျောင်းသောအဆိပ်သင့်သောအလတ်စား
ပစ္စည်း ကိုယ်ထည်၊ ဦးထုပ်ဆောင်း၊ အဝိုင်း ကာဗွန်သံမဏိ Chrome နီကယ်-တိုက်တေနီယမ် သံမဏိ
အလုံပိတ်မျက်နှာပြင် ကာဗွန်စတီးလ်သည် သံအခြေခံသတ္တုစပ်များကို ဖုံးအုပ်ထားသည်။ ခန္ဓာကိုယ်ကို အလုံပိတ်ထားတယ်။

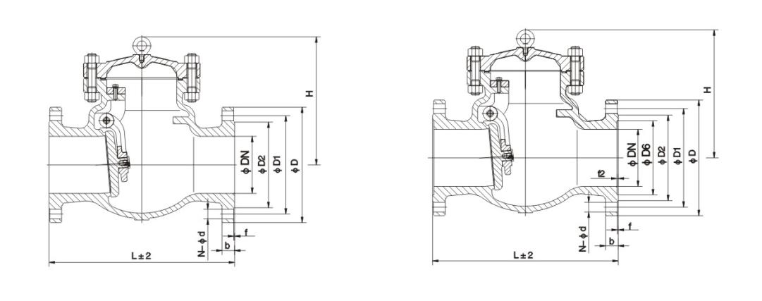
ပင်မပုံသဏ္ဍာန်နှင့်ချိတ်ဆက်မှုအတိုင်းအတာ

အမည်ခံ အချင်းDN ပင်မအတိုင်းအတာများနှင့် ချိတ်ဆက်မှုအတိုင်းအတာများ
L D D1 D2 b Z-d H
H44H-16C H44W-16C H44W-16P H44W-16R H44W-16I
25 160 115 85 65 16 ၄-၁၄ 100
32 180 135 100 78 16 ၄-၁၈ 105
40 200 145 100 85 16 ၄-၁၈ 115
50 230 160 125 100 16 ၄-၁၈ 135
65 290 180 145 120 18 ၄-၁၈ 142
80 310 195 160 135 20 ၈-၁၈ 165
100 350 215 180 155 20 ၈-၁၈ 180
125 400 245 210 185 22 ၈-၁၈ 210
150 480 280 240 210 24 ၈-၂၃ 233
200 500 335 295 265 26 ၁၂-၂၃ 304
250 550 405 355 320 30 ၁၂-၂၅ 348
300 650 460 410 375 30 ၁၂-၂၅ 390
350 750 520 470 435 34 ၁၆-၂၅ 430
400 850 580 525 485 36 ၁၆-၃၀ 468
H44H-25 H44W-25 H44W-25P H44W-25R H44W-25I
25 160 115 85 65 16 ၄-၁၄ 100
32 180 135 100 78 16 ၄-၁၈ 105
40 200 145 110 85 16 ၄-၁၈ 115
50 230 160 125 100 20 ၄-၁၈ 160
65 290 180 145 120 22 ၈-၁၈ 175
80 310 195 160 135 22 ၈-၁၈ 185
100 350 230 190 160 24 ၈-၂၃ 220
125 400 270 220 188 28 ၈-၂၅ 248
150 480 300 250 218 30 ၈-၂၅ 276
200 550 360 310 278 34 ၁၂-၂၅ 350
250 650 425 370 332 36 ၁၂-၃၀ 410
300 750 485 430 390 40 ၁၆-၃၀ 430
350 850 550 490 448 44 ၁၆-၃၄ 518
400 950 610 550 505 48 ၁၆-၃၄ 560

ဖွဲ့စည်းပုံပုံ

Hot Tags: Swing Check Valve၊ တရုတ်၊ စိတ်ကြိုက်၊ အရည်အသွေး၊ တာရှည်ခံ၊ အဆင့်မြင့်၊ ထုတ်လုပ်သူ၊ ပေးသွင်းသူ၊ စက်ရုံ၊
စုံစမ်းမေးမြန်းရန်ပေးပို့ပါ။
ဆက်သွယ်ရန်အချက်အလက်
  • လိပ်စာ

    အမှတ် ၁၊ မြောက် ၁ လမ်း၊ သံမဏိစတီးလ်မြို့သစ်၊ Lecong Steel World West Road၊ Shunde ခရိုင်၊ Foshan မြို့၊ Guangdong ပြည်နယ်၊ တရုတ်

  • အီးမေး

    jinqiufamen@gmail.com

ဂိတ်အဆို့ရှင်များ၊ ကမ္ဘာလုံးအဆို့ရှင်များနှင့် စစ်ဆေးသောအဆို့ရှင်များ သို့မဟုတ် စျေးနှုန်းစာရင်းများအကြောင်း စုံစမ်းမေးမြန်းလိုပါက သင့်အီးမေးလ်ကို ကျွန်ုပ်တို့ထံ ထားခဲ့ကာ ကျွန်ုပ်တို့ထံ 24 နာရီအတွင်း ဆက်သွယ်ပေးပါမည်။

သတင်းအကြံပြုချက်များ
X
သင့်အား ပိုမိုကောင်းမွန်သောကြည့်ရှုမှုအတွေ့အကြုံကို ပေးဆောင်ရန်၊ ဆိုက်အသွားအလာကို ပိုင်းခြားစိတ်ဖြာပြီး အကြောင်းအရာကို ပုဂ္ဂိုလ်ရေးသီးသန့်ပြုလုပ်ရန် ကျွန်ုပ်တို့သည် ကွတ်ကီးများကို အသုံးပြုပါသည်။ ဤဆိုက်ကိုအသုံးပြုခြင်းဖြင့် ကျွန်ုပ်တို့၏ cookies အသုံးပြုမှုကို သင်သဘောတူပါသည်။ ကိုယ်ရေးအချက်အလက်မူဝါဒ
ငြင်းပယ်ပါ။ လက်ခံပါတယ်။