ထုတ်ကုန်များ
API Check Valve
  • API Check ValveAPI Check Valve

API Check Valve

Jinqiu Valve အရည်အသွေးမြင့် API စစ်ဆေးသောအဆို့ရှင်များသည် ASME၊ API နှင့် GB စံနှုန်းများနှင့် ကိုက်ညီပါသည်။ အဆင့်မြင့် CNC စက်ယန္တရားစင်တာများနှင့် သတ္တုဖြတ်တောက်ခြင်းဆိုင်ရာ စက်ပစ္စည်းများဖြင့် ကုမ္ပဏီသည် ထုတ်ကုန်ဒီဇိုင်းနှင့် ထုတ်လုပ်ရေးတွင် CAD/CAM နည်းပညာကို အသုံးပြုကာ ၎င်း၏ API စစ်ဆေးသည့်အဆို့ရှင်အစိတ်အပိုင်းများ၏ အရည်အသွေးနှင့် တိကျသေချာစေရန် ISO9001 စံနှုန်းများကို လိုက်နာဆောင်ရွက်ပါသည်။

တရုတ်နိုင်ငံရှိ ပရော်ဖက်ရှင်နယ် check valves ထုတ်လုပ်သူ Jinqiu Valve သည် ကျွန်ုပ်တို့၏ API စစ်ဆေးမှု valves များကို အမေရိကန်စံနှုန်းများအတိုင်း လုံးလုံးလျားလျား ဒီဇိုင်းထုတ်ပြီး ထုတ်လုပ်ထားပါသည်။ ဤအဆို့ရှင်များသည် သာယာလှပသောဖွဲ့စည်းပုံနှင့် အဆင့်မြင့်နည်းပညာများပါရှိသည်။ API စစ်ဆေးသောအဆို့ရှင်များသည် နောက်ကြောင်းပြန်စီးဆင်းမှုကို ဟန့်တားရန်အတွက် ကြားခံကိုယ်တိုင်၏စီးဆင်းမှုအပေါ်အခြေခံ၍ အဆို့ရှင်အပြားကို အလိုအလျောက်ဖွင့်ကာ ပိတ်ပါ။ ၎င်းတို့ကို one-way valves, check valves, သို့မဟုတ် backflow valves ဟုခေါ်သည်။ ၎င်းတို့၏ အဓိက လုပ်ဆောင်ချက်များမှာ ကြားခံ၏ နောက်ပြန်စီးဆင်းမှုကို တားဆီးရန်၊ ပန့်နှင့် မော်တာပြောင်းပြန်လှန်ခြင်းကို တားဆီးရန်နှင့် ကွန်တိန်နာအတွင်း ကြားခံအား ယိုစိမ့်မှုမှ ကာကွယ်ရန်ဖြစ်သည်။


1. Low Flow Resistance- API စစ်ဆေးသည့်အဆို့ရှင်ကို အပြည့်အဝဖွင့်သောအခါ၊ စီးဆင်းမှုလမ်းကြောင်းသည် အတားအဆီးမရှိသလောက်ဖြစ်ပြီး ဖိအားကျဆင်းသွားစေသည်။
2. အမြန်ပိတ်ခြင်းနှင့် နောက်ကြောင်းပြန်စီးဆင်းခြင်းကို တားဆီးခြင်း- valve disc ၏ လီဗာလုပ်ဆောင်ချက်သည် နောက်ပြန်စီးဆင်းမှုစတင်ချိန်တွင်ပင် လျင်မြန်သောတုံ့ပြန်မှုနှင့် ပိတ်ခြင်းကိုခွင့်ပြုသည်။
3. ကျယ်ပြန့်စွာအသုံးချနိုင်မှု- DN50 မှ DN1200 နှင့်အထက် ပိုက်အချင်း ကျယ်ပြန့်မှုအတွက် သင့်လျော်သည်။

စွမ်းဆောင်ရည်သတ်မှတ်ချက်များ

နံပါတ်စဥ် ပရောဂျက်အမည် ကန့်သတ်ချက်
1 အမည်ခံဖိအားPN (MPa) 150LB 300LB 600LB 900LB 1500LB 2500LB
2.0 5.0 10.0 15.0 25.0 42.0
2 Shell strength test ဖိအား အခန်းအပူချိန်တွင် အမည်ခံဖိအား 1.5 ကြိမ်
3 မြင့်မားသောဖိအားတံဆိပ်စမ်းသပ်ဖိအား အခန်းအပူချိန်တွင် အမည်ခံဖိအား 1.1 ကြိမ်
4 အခန်းအပူချိန်တွင်အလုပ်လုပ်ဖိအား ASME B16.34 ဖိအားနှင့် အပူချိန် အဆင့်သတ်မှတ်ချက်ကို နှိပ်ပါ။

ထုတ်ကုန်သတ်မှတ်ချက်များ

ဒီဇိုင်းစံနှုန်း ဖွဲ့စည်းပုံအလျား Flange ချိတ်ဆက်မှုအရွယ်အစား စမ်းသပ်စစ်ဆေးခြင်း။ ဖိအားနှင့် အပူချိန်ကို ရည်ညွှန်းသည်။
API6D/ASME B16.34 ASME B16.10 ASME B16.5 API598/API6D ASME B16.34

အဓိက အပိုင်းကတော့ ပစ္စည်းပေါ့။

အပိုင်းအမည် ပစ္စည်းအမည်
ခန္ဓာကိုယ် A216 WCB A217 WC6 A351 CF8 A351 CF8M A351 CF3 A351 CF3M
ဦးထုပ် A216 WCB A217 WC6 A351 CF8 A351 CF8M A351 CF3 A351 CF3M
Valve ပြား A216 WCB A217 WC6 A351 CF8 A351 CF8M A351 CF3 A351 CF3M
အလုံပိတ်မျက်နှာပြင် 13Cr/STL STL ကိုယ်ထည် / STL ကိုယ်ထည် / STL ကိုယ်ထည် / STL ကိုယ်ထည် / STL
Valve shaft A182 F6a A182 F11 A182 F304 A182 F316 A182 F304L A182 F316L
Gasket Flexible graphite ပါ။ Flexible graphite ပါ။ Flexible graphite ပါ။ Flexible graphite ပါ။ Flexible graphite ပါ။ Flexible graphite ပါ။
မင်းတုံး A193 B7 A193 B16 A193 B8 A193 B8M A193 B8 A193 B8M
အခွံမာသီး A194 2H A194 ၄ A194 ၈ A194 8M A194 ၈ A194 8M
လည်ပတ်အပူချိန် -29~425 ℃ -29~540 ℃ -46~425 ℃ -46~425 ℃ -46~425 ℃ -46~425 ℃
သင့်လျော်သောမီဒီယာ ရေနွေးငွေ့ ရေနွေးငွေ့ အဆိပ်သင့်မှု အားနည်းခြင်း။ အဆိပ်သင့်မှု အားနည်းခြင်း။ အဆိပ်သင့်မှု အားနည်းခြင်း။ အဆိပ်သင့်မှု အားနည်းခြင်း။

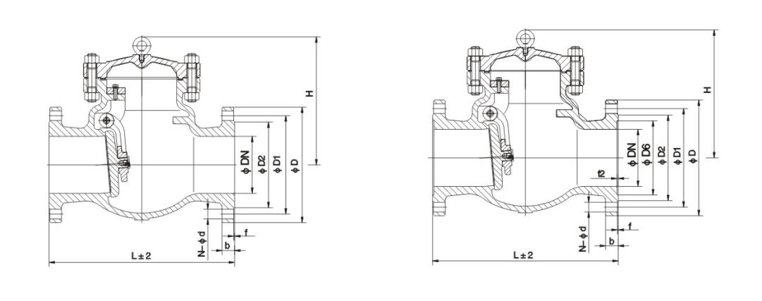
ပင်မပုံသဏ္ဍာန်နှင့်ချိတ်ဆက်မှုအတိုင်းအတာ

အမည်ခံအချင်း အရွယ်အစား
m L D D1 D2 b f n-Φd H
H44H-150Lb
50 2 203 152 120.5 92 16 1.6 ၄-၁၉ 180
80 3 241 192 152.5 127 19 1.6 ၄-၁၉ 190
100 4 297 229 190.5 157 24 1.6 ၈-၁၉ 203
125 5 330 254 216 186 24 1.6 ၈-၂၂ 229
150 6 356 279 241.5 216 26 1.6 ၈-၂၂ 257
200 8 495 342 298.5 270 29 1.6 ၈-၂၂ 292
250 10 622 406 362 324 31 1.6 ၁၂-၂၅ 355
300 12 698 483 432 381 32 1.6 ၁၂-၂၅ 396
H44H-300Lb
50 2 267 165 127 92 23 1.6 ၈-၁၉ 178
80 3 318 210 168.5 127 29 1.6 ၈-၂၂ 216
100 4 356 254 200 157 32 1.6 ၈-၂၂ 241
125 5 400 279 235 186 35 1.6 ၈-၂၂ 267
150 6 444 318 270 216 37 1.6 ၁၂-၂၂ 305
200 8 533 381 330 270 42 1.6 ၁၂-၂၅ 368
250 10 622 445 387 324 48 1.6 ၁၆-၂၉ 394
300 12 711 521 451 381 51 1.6 ၁၆-၃၂ 445
H44H-600Lb
50 2 295 165 127 92 33 6.4 ၈-၁၉ 203
80 3 359 210 168 127 36 6.4 ၈-၂၂ 235
100 4 435 273 216 157 45 6.4 ၈-၂၅ 286
125 5 511 330 266.5 186 52 6.4 ၈-၂၉ 292
150 6 562 356 292 216 55 6.4 ၁၂-၂၉ 330
200 8 664 419 349 270 63 6.4 ၁၂-၃၂ 381
250 10 791 510 432 324 71 6.4 ၁၆-၃၅ 457
300 12 842 559 489 381 74 6.4 ၂၀-၃၅ 584

ဖွဲ့စည်းပုံပုံ

Hot Tags: API Check Valve၊ တရုတ်၊ စိတ်ကြိုက်၊ အရည်အသွေး၊ တာရှည်ခံ၊ အဆင့်မြင့်၊ ထုတ်လုပ်သူ၊ ပေးသွင်းသူ၊ စက်ရုံ၊ စတော့တွင်
စုံစမ်းမေးမြန်းရန်ပေးပို့ပါ။
ဆက်သွယ်ရန်အချက်အလက်
  • လိပ်စာ

    အမှတ် ၁၊ မြောက် ၁ လမ်း၊ သံမဏိစတီးလ်မြို့သစ်၊ Lecong Steel World West Road၊ Shunde ခရိုင်၊ Foshan မြို့၊ Guangdong ပြည်နယ်၊ တရုတ်

  • အီးမေး

    jinqiufamen@gmail.com

ဂိတ်အဆို့ရှင်များ၊ ကမ္ဘာလုံးအဆို့ရှင်များနှင့် စစ်ဆေးသောအဆို့ရှင်များ သို့မဟုတ် စျေးနှုန်းစာရင်းများအကြောင်း စုံစမ်းမေးမြန်းလိုပါက သင့်အီးမေးလ်ကို ကျွန်ုပ်တို့ထံ ထားခဲ့ကာ ကျွန်ုပ်တို့ထံ 24 နာရီအတွင်း ဆက်သွယ်ပေးပါမည်။

X
သင့်အား ပိုမိုကောင်းမွန်သောကြည့်ရှုမှုအတွေ့အကြုံကို ပေးဆောင်ရန်၊ ဆိုက်အသွားအလာကို ပိုင်းခြားစိတ်ဖြာပြီး အကြောင်းအရာကို ပုဂ္ဂိုလ်ရေးသီးသန့်ပြုလုပ်ရန် ကျွန်ုပ်တို့သည် ကွတ်ကီးများကို အသုံးပြုပါသည်။ ဤဆိုက်ကိုအသုံးပြုခြင်းဖြင့် ကျွန်ုပ်တို့၏ cookies အသုံးပြုမှုကို သင်သဘောတူပါသည်။ ကိုယ်ရေးအချက်အလက်မူဝါဒ
ငြင်းပယ်ပါ။ လက်ခံပါတယ်။