ထုတ်ကုန်များ
ဖိအားမြင့် Stainless Steel Globe Valve
  • ဖိအားမြင့် Stainless Steel Globe Valveဖိအားမြင့် Stainless Steel Globe Valve

ဖိအားမြင့် Stainless Steel Globe Valve

စိတ်ကြိုက်အရွယ်အစားများနှင့် OEM/ODM ဝန်ဆောင်မှုများကိုပံ့ပိုးပေးသော JQF Valve မှထုတ်လုပ်သော တာရှည်ခံဖိအားမြင့်သံမဏိကမ္ဘာလုံးအဆို့ရှင်သည် DIN ကဲ့သို့သော ကမ္ဘာ့စံချိန်စံညွှန်းများနှင့်ကိုက်ညီပြီး တိကျမှုနှင့် အရည်အသွေးသေချာစေရန် အဆင့်မြင့် CNC နှင့် စမ်းသပ်ကိရိယာများကို အသုံးပြု၍ ထုတ်လုပ်ထားသည်။ ကြံ့ခိုင်သောစွမ်းဆောင်ရည်ကိုသေချာစေရန် 3 နှစ်အာမခံလည်းပါရှိသည်။

R&D၊ ဒီဇိုင်း၊ ထုတ်လုပ်မှု၊ အရောင်းနှင့် ဝန်ဆောင်မှုတို့ကို ပေါင်းစပ်ထားသည့် valve ထုတ်လုပ်ရောင်းချသူအနေဖြင့် JQF Valve စက်ရုံသည် ပြီးပြည့်စုံသော နည်းပညာဆိုင်ရာအဖွဲ့နှင့် အရည်အသွေးစီမံခန့်ခွဲမှုစနစ်တို့ကို ကြွားလုံးထုတ်ထားသည်။ ကျွန်ုပ်တို့၏ထုတ်ကုန်များကို ရေနံ၊ ဓာတုဗေဒ၊ ဓာတ်အားပေးစက်ရုံ၊ သဘာဝပတ်ဝန်းကျင် ကာကွယ်ရေး၊ ကျောက်မီးသွေးတူးဖော်မှု၊ ရေနုတ်မြောင်းနှင့် စွမ်းအင်အသစ်စသည့် နယ်ပယ်အသီးသီးတွင် တွင်ကျယ်စွာ အသုံးပြုကြသည်။ အရည်အသွေးမြင့် ဖိအားမြင့် stainless steel globe valves များသည် အမျိုးမျိုးသော မီဒီယာနှင့် အပူချိန်အခြေအနေများအတွက် သင့်လျော်ပြီး တာရှည်ခံမှုနှင့် ယုံကြည်စိတ်ချရမှုအတွက် ဒီဇိုင်းထုတ်ထားသည်။ ကျွန်ုပ်တို့သည် ပြီးပြည့်စုံမှုကို စဉ်ဆက်မပြတ် လိုက်လျှောက်ပြီး ဖောက်သည်တိုင်းအတွက် ပိုမိုကောင်းမွန်သော ထုတ်ကုန်များနှင့် ဝန်ဆောင်မှုများကို ပေးဆောင်ကာ ရိုးသားမှုရှိရန် ကတိပြုပါသည်။ လုပ်ငန်းကိစ္စဆွေးနွေးရန် လာလည်ရန်၊ ဖုန်းခေါ်ဆိုရန် သို့မဟုတ် စာရေးရန် မိတ်ဟောင်း မိတ်သစ် မိတ်သစ်များကို ကျွန်ုပ်တို့ ရိုးသားစွာ ကြိုဆိုပါသည်။


1. ကြံ့ခိုင်မှုမြင့်မားသော အဆို့ရှင်ပင်မပစ္စည်း၊ အဆို့ရှင်ကိုယ်ထည်နှင့် တင်းတင်းကြပ်ကြပ် ချိတ်ဆက်ထားသောကြောင့် ချောမွေ့လည်ပတ်မှုနှင့် လွယ်ကူသောလည်ပတ်မှုကို သေချာစေသည်။
2. ဂရုတစိုက်ရွေးချယ်ထားသောဝက်အူများသည် တင်းကျပ်သော၊ ခိုင်ခံ့ပြီး သံချေးခံနိုင်သောချိတ်ဆက်မှုကို သေချာစေသည်။
3. Stainless steel valve body သည် high pressure stainless steel globe valves များကို ကောင်းမွန်သော corrosion resistance နှင့် သံချေးတက်ခြင်းမှ ကာကွယ်ပေးပါသည်။
4. ထူထဲသောအနားကွပ်များသည် အစိုင်အခဲပစ္စည်းများဖြင့်ပြုလုပ်ထားပြီး လုံခြုံစွာချိတ်ဆက်ထားသည်။

အင်္ဂါရပ်များ

1. အဆင်ပြေမြန်ဆန်
ရိုးရှင်းသောဖွဲ့စည်းပုံ၊ ထုတ်လုပ်ရန်နှင့်ထိန်းသိမ်းရန်လွယ်ကူသည်။
2. အမြန်ပြောင်းခြင်း၊ အသေးစားလုပ်ဆောင်ချက်
တိုတောင်းသောအလုပ်လုပ်လေဖြတ်ခြင်း၊ လျင်မြန်သောအဖွင့်နှင့်အပိတ်တုံ့ပြန်မှု။
3. တာရှည်ခံသည်။
တင်းကျပ်သောတံဆိပ်၊ ဝတ်ဆင်မှုခံနိုင်ရည်ရှိပြီးခိုင်ခံ့သော၊ တာရှည်ဝန်ဆောင်မှုသက်တမ်း။

အမှုဆောင်စံနှုန်းများ

ဒီဇိုင်းသတ်မှတ်ချက်: GB / T 12235
ဖွဲ့စည်းပုံအရှည်: GB / T 12221
အနားကွပ်ချိတ်ဆက်မှု- JB/T 79
စမ်းသပ်ခြင်းနှင့်စစ်ဆေးခြင်း: JB / T 9002
ထုတ်ကုန်သတ်မှတ်ချက်- GB / T 12220
ထောက်ပံ့ရေးသတ်မှတ်ချက်: JB / T 7928

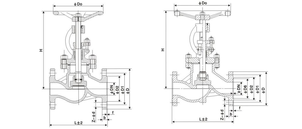
ပင်မအသွင်အပြင်နှင့် ချိတ်ဆက်မှုအတိုင်းအတာ

အမည်ခံအချင်း ပင်မပြင်ပအတိုင်းအတာနှင့် ချိတ်ဆက်မှုအတိုင်းအတာများ
L D D1 D2 b Z-d H D0
J41H-16C
15 130 95 65 45 ၁၄-၂ 4-Φ14 170 120
20 150 105 75 55 ၁၄-၂ 4-Φ14 190 140
25 160 115 85 65 ၁၄-၂ 4-Φ14 205 160
32 180 135 100 78 ၁၆-၂ 4-Φ18 270 180
40 200 145 110 85 ၁၆-၃ 4-Φ18 310 200
50 230 160 125 100 ၁၆-၃ 4-Φ18 358 240
65 290 180 145 120 ၁၈-၃ 4-Φ18 373 240
80 310 195 160 135 ၂၀-၃ ၈-Φ၁၈ 435 280
100 350 215 180 155 ၂၀-၃ ၈-Φ၁၈ 500 300
125 400 245 210 185 ၂၂-၃ ၈-Φ၁၈ 614 320
150 480 280 240 210 ၂၄-၃ ၈-Φ၂၃ 674 360
200 600 335 295 265 ၂၆-၃ 12-Φ23 811 400
250 650 405 355 320 ၃၀-၃ 12-Φ25 969 450
300 750 460 410 375 ၃၀-၃ 12-Φ25 1145 580
350 850 520 470 435 ၃၄-၄ 16-Φ25 1280 640
400 980 580 525 485 ၃၆-၄ 16-Φ30 1452 640
J41H-25C
15 130 95 65 45 ၁၆-၂ 4-Φ14 170 120
20 150 105 75 55 ၁၆-၂ 4-Φ14 190 140
25 160 115 85 65 ၁၆-၂ 4-Φ14 205 160
32 180 135 100 78 ၁၈-၂ 4-Φ18 270 180
40 200 145 110 85 ၁၈-၃ 4-Φ18 310 200
50 230 160 125 100 ၂၀-၃ 4-Φ18 358 240
65 290 180 145 120 ၂၂-၃ ၈-Φ၁၈ 373 240
80 310 195 160 135 ၂၂-၃ ၈-Φ၁၈ 435 280
100 350 230 190 160 ၂၄-၃ ၈-Φ၂၃ 500 300
125 400 270 220 188 ၂၈-၃ ၈-Φ၂၅ 614 320
150 480 300 250 218 ၃၀-၃ ၈-Φ၂၅ 674 360
200 600 360 310 278 ၃၄-၃ 12-Φ25 811 400
250 650 425 370 332 ၃၆-၃ 12-Φ30 969 450
300 750 485 430 390 ၄၀-၄ 16-Φ30 1145 580
350 850 550 490 448 ၄၄-၄ 16-Φ34 1280 640
400 980 610 550 505 ၄၈-၄ 16-Φ34 1452 640

ဖွဲ့စည်းပုံပုံ

Hot Tags: ဖိအားမြင့် Stainless Steel Globe Valve၊ တရုတ်၊ စိတ်ကြိုက်၊ အရည်အသွေး၊ တာရှည်ခံ၊ အဆင့်မြင့်၊ ထုတ်လုပ်သူ၊ ပေးသွင်းသူ၊ စက်ရုံ၊
ဆက်စပ်အမျိုးအစား
စုံစမ်းမေးမြန်းရန်ပေးပို့ပါ။
ဆက်သွယ်ရန်အချက်အလက်
  • လိပ်စာ

    အမှတ် ၁၊ မြောက် ၁ လမ်း၊ သံမဏိစတီးလ်မြို့သစ်၊ Lecong Steel World West Road၊ Shunde ခရိုင်၊ Foshan မြို့၊ Guangdong ပြည်နယ်၊ တရုတ်

  • အီးမေး

    jinqiufamen@gmail.com

ဂိတ်အဆို့ရှင်များ၊ ကမ္ဘာလုံးအဆို့ရှင်များနှင့် စစ်ဆေးသောအဆို့ရှင်များ သို့မဟုတ် စျေးနှုန်းစာရင်းများအကြောင်း စုံစမ်းမေးမြန်းလိုပါက သင့်အီးမေးလ်ကို ကျွန်ုပ်တို့ထံ ထားခဲ့ကာ ကျွန်ုပ်တို့ထံ 24 နာရီအတွင်း ဆက်သွယ်ပေးပါမည်။

သတင်းအကြံပြုချက်များ
X
သင့်အား ပိုမိုကောင်းမွန်သောကြည့်ရှုမှုအတွေ့အကြုံကို ပေးဆောင်ရန်၊ ဆိုက်အသွားအလာကို ပိုင်းခြားစိတ်ဖြာပြီး အကြောင်းအရာကို ပုဂ္ဂိုလ်ရေးသီးသန့်ပြုလုပ်ရန် ကျွန်ုပ်တို့သည် ကွတ်ကီးများကို အသုံးပြုပါသည်။ ဤဆိုက်ကိုအသုံးပြုခြင်းဖြင့် ကျွန်ုပ်တို့၏ cookies အသုံးပြုမှုကို သင်သဘောတူပါသည်။ ကိုယ်ရေးအချက်အလက်မူဝါဒ
ငြင်းပယ်ပါ။ လက်ခံပါတယ်။